SmartSnow7

Snowmaking Automation Software

SmartSnow7 is SMI’s most advanced snowmaking software, giving you real-time control of your entire snowmaking system from any device, anywhere.

Monitor and manage snow machines, water lines, air lines, power lines, hydrants, pumping systems, and air plants from your phone, tablet, or computer—all within a single platform.

Build a system-specific database for your mountain, set production priorities, and define operating constraints based on flow rate, electrical load, totalized volume, and other key parameters. With GPS-based visualization and an intuitive interface, SmartSnow7 gives you complete control to capture every snowmaking window and maximize efficiency.

Available in 13 languages and compatible with iOS, Android, and web browsers, SmartSnow7 is designed to help ski resorts increase production while reducing operational costs.

SmartSnow7 Upgrades

Any device, including iOS, Android, and web browsers

Available On


Water lines, air lines, power lines, hydrants, pedestals, and machines

Manage & Control


For flow rate, totalized flow volume, electrical current, and snow production depth

Set Parameters


Pumping + air systems, Latitude90, SnowSat, and DOMO

Integrates With


Hosted on Amazon Web Services (AWS), your data is always protected and accessible when you need it

Data Security

Explore How Resorts Are Benefiting From Our Software

Snowmaking Software for Ski Resorts


Control From Anytime, Anywhere

Access your entire snowmaking system from your laptop, tablet, or smartphone, whether you're in the pump house, on the mountain, or at home.

SmartSnow7's mobile app for iOS and Android gives you full control wherever you are, with the same powerful features as the desktop version.


Historical Data Intelligence

Every season, SmartSnow7 captures detailed data on water usage, weather conditions, production volumes, and adjustments made, building a comprehensive knowledge base unique to your mountain.


Smart Control & Prioritization

SmartSnow7 puts complete control in your pocket: turn machines on remotely, adjust settings on the fly, and prioritize which hydrants get maximum flow first.


Intuitive & Easy to Use

Your team can start using SmartSnow7 quickly with minimal training. The intuitive interface, clear visualizations, and logical workflows mean less time learning software and more time making snow. No complicated setup or steep learning curve.

Key Features

Advanced Controls for Your Automated Snow Machines

  • Turn individual guns or entire groups on and off, change flows and setpoints, and update operating modes directly from SmartSnow7.

  • Set the oscillation arc and vertical tilt from your screen so you can tighten or widen snow placement and quickly respond to wind or trail‑crew feedback.

  • Create custom views for specific trails, machine groups, or pump houses and keep them all open at once, so operators always see the stations that matter most.

  • Review run hours, flow, energy use, and weather trends for each gun or trail to see what worked, then reuse those settings when the next snowmaking window opens.

See and Control Your Entire Snowmaking System From One Screen

  • Use SmartSnow7 to start, stop, and adjust entire trails of snow machines at once, or open a single gun to see live flow, pressure, weather, and oscillation data and tweak every setting from one screen.

  • Monitor and control every pump from one screen—including flow, pressure, pond and tank levels, temperatures, power consumption, and pump speed

  • Tie your whole air plant into SmartSnow7 to monitor compressors, air flow, and pressures, and start, stop, or sequence equipment remotely for a reliable air supply to every gun.

  • Connect SmartSnow7 with SnowSat, PistenBully/Prinoth snow‑depth systems, and Latitude 90 for full visibility into your entire operation.

Control Your Total Water Requirements By Setting Priorities and Constraints

  • SmartSnow7 allows you to set hydrant priorities (1, 2, 3, etc.) and automatically maximizes water use by running the highest-priority hydrant first, then moving down the list.

  • Easily set constraints for total flow, current, and volume, and watch your progress throughout your season.

    SmartSnow7 will automatically optimize performance while never exceeding your constraints.

  • Set a total water volume target for each hydrant on your hill (e.g., 300.00 gallons) and track how far along each one is by total gallons used and operating hours.

Mapping & Location of Your Snowmaking Infrastructure

  • Use satellite imagery to view your equipment with GPS-accurate positioning.

  • Use your phone’s GPS to automatically position portable equipment and accurately document the locations of fixed-position equipment on your mountain.

Turn Snowmaking Data Into Decisions

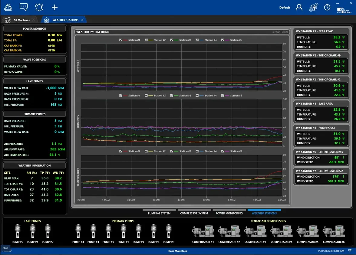
  • Visualize wet‑bulb, temperature, humidity, water pressure, flow rate, pump amps, and more on easy‑to‑read trend screens so you can spot issues and dial in settings fast.

  • Create your own trail-by-trail, multi-snowmachine, and weather reports; choose the time range and data fields, and export them in multiple formats for management, finance, or grooming teams.

  • Set daily or weekly report schedules and automatically send PDFs or data files to selected user groups, keeping everyone aligned on progress without extra work.

  • Use SmartSnow7’s team chat and machine notes to leave shift hand‑offs, service comments, and to‑dos right on the map, so operators and managers all see the same information.